电子制作中可控硅应用的误区
在电子制作中,运用单向或双向可控硅作为开关、调压的执行器件是很方便的,而且还可以控制直流、交流电路的负载功率。但是,目
前有些电子制作文章中,对可控硅的运用常有谬误之处。可以说,此类电子制作稿纯粹是杜撰出来的,不要说制作,恐怕作者连起码的实验也未做过,这岂不是造成对初学者的误导吗?! 常见的电路设计不当之处大约有以下几点——
一、触发电路的问题
若欲使可控硅触发导通,除有足够的触发脉冲幅度和正确的极性以外,触发电路和可控硅阴极之间必须有共同的参考点。有些电路从表面看,触发脉冲被加到可控硅的触发极G,但可控硅的阴极和触发信号却无共同参考点,触发信号并未加到可控硅的G—K之间,可控硅不可能被触发。

正确的方式见图1b。可控硅与抽水电机组成抽水控制开关,SCR的触发由T2与G间接入电阻控制。当水位降低时,控制触点开路,555第3脚输出高电平(此电路部分省略),使Q导通,继电器J吸合,SCR触发导通,电机开始运转。当水位达到时, 触点经水接通,555第3脚输出低电平,Q截止,SCR在交流电过零时截止,抽水停止。
上述电路因设计考虑不周,出现了不该有的低级错误。但类似水塔供水控制系统与市电不隔离的设计,却常出现在电子书刊中。

触发电路设计不当的第二个例子常见于电子制作稿中,其电路见图2, 图中对电路进行简化。其实, 无论控制系统完成何种控制,无论是单向还是双向可控硅, 图2的触发电路是不能正常工作的。其问题在于,控制系统发出触发信号UG,其参考点是共地,而可控硅T1或T2的参考点是负载热端。实际上, 加到可控硅的触发电压UG是与负载端电压UZ相串联的。双向可控硅究竟是T1还是T2为触发参考点,视触发信号的相对极性来决定的。如按图2中标注,T1在下,T2在上, 则UG相对于T1必须是正极性的, 且与T1的电压同参考电位。但无论T1还是T2作参考点, 按图2的接法,可控硅导通时,UZ常近似等于Uin,如此高电压加到触发极G和T1之间, 将立即使触发极被击穿,可控硅被损坏。
改进此电路的方法之一是,采用触发变压器隔离控制系统的参考点, 触发信号可以由BT33组成锯齿波发生器受控于控制系统(矩形波也可以),这样,不受初级参考点的影响,触发变压器次级可直接接在G与T1之间,与负载上电压无关。
另一简单改进方法是,将负载电路Z移到图2的T2与Uin之间。不过,这种用法受到限制,因负载两端都无法接入任何参考点。
二、电感负载的应用
近来, 市场上出售一种调光器, 类似某些调光台灯内控制电路,利用控制RC充电时间。通过双向二极管控制可控硅的导通角,控制负载电路的功率, 实为调功器。这种调功器用于控制白炽灯、电阻加热器等电阻性负载,要求可控硅耐压高于交流电的峰值电压即可。一般台灯调光。常用反压400V的可控硅,考虑到提高可靠性,600V已足够。
可控硅用于控制电感负载,譬如电风扇、交流接触器、有变压器的供电设备等,则不同。因为这种移相式触发电路,可控硅在交流电半周持续期间导通,半周过零期间截止。当可控硅导通瞬间,加到电感负载两端电压为交流电的瞬时值, 有时可能是交流电的最大值。根据电感的特性,其两端电压不可能突变,高电压加到电感的瞬间产生反向自感电势, 反对外加电压。外加电压的上升曲线越陡,自感电势越高,有时甚至超过电源电压而击穿可控硅。因此,可控硅控制电感负载,首先其耐压要高于电源电压峰值1.5倍以上。此外,可控硅两电极间还要并联接入RC尖峰吸收电路。常用10— 30Ω/3W 以上电阻和0.1—0.47uF/600V的无极性电容。
交流调功电路中,可控硅是在交流电过零期间关断, 从理论上讲,关断时电流变化为零,无感应电压产生。加入RC尖峰抑制电路,是为了抑制可控硅导通时的自感电势尖峰。如不加入此电路,不但可控硅极易击穿,负载电路的电感线圈也会产生匝间、或电机绕组间击穿,这点是决不能忽视的。
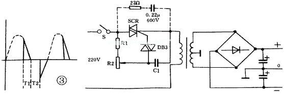
三、该无级调压电路能用吗?

图3是某电子杂志刊出的无级直流输出调压电路。原作者称,利用Rc移相网路控制SCR的导通角改变变压器初级的电流,从而获得两路连续可调的2x(0—17V) 的直流输出电压,负载电流为800mA 。很明显,推荐电路(图3)是普通移相式调功电路和降压变压器整流滤波电路的串联, 从基本原理分析,似乎无大的原则问题。变压器初级每半周电流有效值随可控硅导通角变化,次级输出电压的峰值、平均电流值都随之而变。当然,一定负载时输出整流电压也必然改变。本人看后,极感兴趣,依此原理制作了一台输出100±40V范围变化的维修代用直流电源,并依照图中虚线加入RC吸收回路。实验时,该电路一接入电源,距此10米远的电视机屏幕上即出现两条缓慢移动的黑带(从邻居的责问中得知),同时,空载下不到十分钟,SCR即击穿。更不能容忍的是,降压变压器铁心发出拖拉机启动时的声音,室内电度表也发出同样的声音,而且,随着输出电压的调低,声音更大。
SCR击穿后, 本人在市电输入电路加入RC低通滤波,改用1000V/5A双向可控硅,变压器的噪声和干扰脉冲幅射没什么大的变化,只是
SCR未击穿。为了不扰邻,以及快的速度将输出电压调到60V, 用电压表测量次级电压,尽管负载电流仅100mA,滤波电容为470uF/100V,但万用表的表针抖动呈虚线状,可见其纹波大到什么程度。
冷静下来后,仔细分析其原因,得出以下结论:经过移相调功之后,变压器初级电压已不是正弦波,而是锯齿波沿陡峭的前沿形成冲击磁场,使变压器、电度表等铁芯电感发出相当大的噪声。近似垂直上升的突变电压,在变压器初级大电感两端产生极高的反电势,因此击穿可控硅,时间稍长,甚至还要击穿变压器初级层间绝缘和电度表的电压线圈。当调低输出电压时,t1减小,t2增大,这种占空比极小的锯齿形电压,(见图中波形)。
一般的滤波电路是无能为力的, 除非将负载电流减到极小,或滤波电路采用LC滤波。无论如何,占空比极小的电源还是不能适应的,其电压平均值将随负载大幅度变化。电压调得越低,其纹波滤除越困难,这是很明显的。实验中发现,若在小范围内调整,如变压器初级电压在180~220V之间变化, 上述噪声明显减小,次级纹波也降低, 但又有何价值呢?若读者感兴趣,不妨一试!
- 刊登此文只为传递信息,并不表示赞同或者反对作者观点。
- 如果此内容给您造成了负面影响或者损失,本站不承担任何责任。
- 如果内容涉及版权问题,请及时与我们取得联系。

文章评论